
这是一款我们历时多年研发出来的高性能单声道分体HIFI class AB类功放,采用了超高带宽超低噪声超低失真的设计,其指标性能达到世界领先水平。左右声道完全分体独立,达到极致的声道分离度。功放线路采用我们自行研发的高性能差分放大高速电路,具有低噪声低失真高音质等特点。


技术特点:
1. 重料设计的电源供应能力:每声道采用额定300瓦大功率(短时最大功率可以到500瓦)屏蔽环形变压器供电;20000uF的大连波电流进口红宝石电解电容;为小信号部分的线路设计了4路分立超低噪声电源;

2. 手工精密配对的差分级,搭配使用精密电阻和进口薄膜电容等优质元件;线路采用简洁的设计,但是音频信号经过的地方均使用线性特别优秀的晶体管;
3. 同级性能下,我们采用的是低开环增益的设计,实现了低瞬态互调失真,获得了优异的听感;











基础指标:
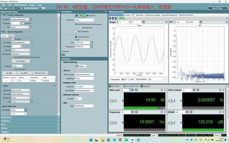
额定功率: 90瓦/8欧,180瓦/4欧
最大功率:122瓦/8欧,202瓦/4欧 @1% THD+N
超低的底噪水平:小于2.3uv A记权,小于3uv不记权 @单端输入低增益
SNR: 大于140db A记权 @单端输入低增益
THD+N:-110db A记权 8欧20瓦;
阻尼系数:800 @8欧
支持高低增益调节,16/23db;
支持单端平衡两种输入切换,互不干扰;
完善的扬声器保护功能:开关机,过热,短路,过载,直流等;
单台体积 宽深高:21.6cm X 32cm X 8cm 不含后面的插座和机脚;
支持115/230V AC电源切换;
单台重量:7.5KG,不含包装。